lourd – avec montage horizontal du vérin – avec amortisseur de fin de course réglable – avec piston magnétique pour la détection de fin de course – acier traité thermiquement poli – les axes de palier sans entretien dans des bagues en bronze sont trempés, rectifiés et équipés de circlips – le tendeur est prêt au raccordement et se compose de : – Elément mécanique No. 6815C – Vérin pneumatique FESTO double effet – Chape de pied Les vérins sont conformes à la norme DIN ISO 6432.
Application
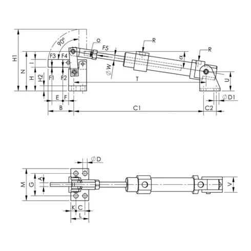
Ces pinces pneumatiques sont conçues en qualité de construction mécanique et conviennent à l’installation dans les lignes de transfert et les machines spéciales. La position d’ouverture et de serrage de la pince peut être surveillée électriquement et ainsi intégrée dans les processus de production automatiques. –
Autres caractéristiques techniques A : 6mm – C : 14mm – D : 7mm – F4 : 0,8kN – D1 : 6,5mm – Ø piston : 20mm – G : 35mm – H1 : 96mm – H2 : 8 – L : 28mm – O : M8mm – T : 204mm – a* : 9° – W : 8mm – F5 : 0,19kN – I : 12mm – F : 9mm – B : 41mm – Course piston : 40mm – K : 8mm – U : 30mm – R : G1/8mm – V : 24 – E : 17mm – C1 : 200mm – M : 50mm – H : 37mm – F3 : 0,6kN – C2 : 20mm – N : 62mm
EAN / GTIN : 04020772092122














Avis
Il n’y a pas encore d’avis.